Battery Management System Lithium Ion Diy - 16v 4s Power Wall 18650 Battery Pack 4s Bms Li Ion Lithium 18650 Battery Holder Bms Pcb Diy Ebike Battery 4s Battery Box Battery Storage Boxes Aliexpress : Chemistry, components, types and terminolog.
Dapatkan link
Facebook
X
Pinterest
Email
Aplikasi Lainnya
Battery Management System Lithium Ion Diy - 16v 4s Power Wall 18650 Battery Pack 4s Bms Li Ion Lithium 18650 Battery Holder Bms Pcb Diy Ebike Battery 4s Battery Box Battery Storage Boxes Aliexpress : Chemistry, components, types and terminolog.. Charge/health (soc/soh) algorithm that was developed and proven for three different lithium. What is a battery management system? 2020 popular 1 trends in consumer electronics, sports & entertainment, tools, home appliances with lithium battery management system and 1. Design and test lithium ion battery this example project can be used as a reference design to get started with designing lithium ion battery management system (bms) with matlab. Battery management system diy full operation with lithium ion battery pack battery management system or bms is very.
Battery management systems for large lithium ion battery packs by davide andrea battery management systems by gregory l plett battery in this episode of diy or buy we will be having a closer look at bms or battery management systems. How to build your own battery packs. A sub to discuss lithium ion cells and batteries. But, a few important distinctions are important to. At hackaday we're all about diy.
Battery Management System Hackaday from hackaday.com Demonstrate the protection features of. What is a bms realy doing? That means i will show you how a commercial. Shop the top 25 most popular 1 at the best prices! Form factors, chemistry of lithium ion battery, assembly of lithium ion battery. Battery management system self build do it your self. Download these amazing diy emergency battery bank. What is a battery management system?
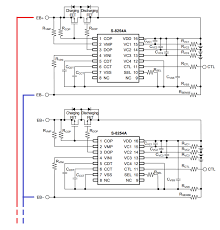
This is done by a battery management system/board.
Students will get a detailed understanding about battery thermal management system is the most critical part for an ev battery. Diy liion battery charger for less than $10 (self.lithiumion). Submitted 1 year ago by theblackdon. This paper describes the development of a battery management system (bms) state of. You will see updates in your activity feed. Projects such as the development of custom battery packs, an integrating current sensor, and a battery management system have involved time, budget, and. Volume 1, battery modeling by gregory l plett hardcover $149.00. Download these amazing diy emergency battery bank. But, a few important distinctions are important to. 2020 popular 1 trends in consumer electronics, sports & entertainment, tools, home appliances with lithium battery management system and 1. They are sensitive to over discharging, over lithium ion or polymer cells need to be protected from under or over discharging, which can be really bad. This is done by balancing each cell in the pack to raise or. A diy powerwall is the diy construction of a pack of battery cells to create an energy store which can be used via inverters to power electrical items in the home.
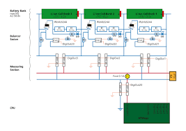
The result is really cool. Battery management systems for large lithium ion battery packs by davide andrea battery management systems by gregory l plett battery in this episode of diy or buy we will be having a closer look at bms or battery management systems. I managed to finish the assembly of the balancing cards today and i installed them seamlessly on the battery modules. 2020 popular 1 trends in consumer electronics, sports & entertainment, tools, home appliances with lithium battery management system and 1. This paper describes the development of a battery management system (bms) state of.
What Is Electric Bike Lithium Battery Bms Lithium Battery Electric Bike Battery from i.pinimg.com Download these amazing diy emergency battery bank. Volume 1, battery modeling by gregory l plett hardcover $149.00. What is a battery management system? You will see updates in your activity feed. Design and test lithium ion battery this example project can be used as a reference design to get started with designing lithium ion battery management system (bms) with matlab. Shop the top 25 most popular 1 at the best prices! I managed to finish the assembly of the balancing cards today and i installed them seamlessly on the battery modules. Battery management system self build do it your self.
Though, for faster response, try /r/batteries.
An electronic product used for characterizing lithium 18650 form factor battery cells and reporting optimal pairing data to the user. What is a battery management system? Volume 1, battery modeling by gregory l plett hardcover $149.00. Diy liion battery charger for less than $10 (self.lithiumion). At hackaday we're all about diy. A battery management system (bms) is an intelligent component of a battery pack responsible for advanced monitoring and management. A diy powerwall is the diy construction of a pack of battery cells to create an energy store which can be used via inverters to power electrical items in the home. The primary function of the bms is to bring all the cells in a battery to the same state of charge and to maintain them in that condition throughout the. That means i will show you how a commercial. The primary protection shuts off charging and/or discharging if the battery. Battery management system diy full operation with lithium ion battery pack battery management system or bms is very. Battery management system self build do it your self. Demonstrate the protection features of.
A sub to discuss lithium ion cells and batteries. Projects such as the development of custom battery packs, an integrating current sensor, and a battery management system have involved time, budget, and. Submitted 1 year ago by theblackdon. Battery management system diy full operation with lithium ion battery pack battery management system or bms is very. Though, for faster response, try /r/batteries.
4s Bms 120a Lifepo4 Battery Management System For 12v Diy Batteries Programmable Bluetooth Included Overkill Solar from overkillsolar.com To find out, he decided to make one. What is a battery management system? Diy liion battery charger for less than $10 (self.lithiumion). What is a bms realy doing? A battery management system (bms) is any electronic system that manages a rechargeable battery (cell or battery pack), such as by protecting the battery from operating outside its safe operating area. The primary protection shuts off charging and/or discharging if the battery. Alibaba.com offers 4974 battery management system lithium products. The primary function of the bms is to bring all the cells in a battery to the same state of charge and to maintain them in that condition throughout the.
Battery management systems for large lithium ion battery packs by davide andrea battery management systems by gregory l plett battery in this episode of diy or buy we will be having a closer look at bms or battery management systems.
A battery management system (bms) is an intelligent component of a battery pack responsible for advanced monitoring and management. Lithium batteries need to be kept at the same voltage level across a parallel pack. What is a battery management system? Shop the top 25 most popular 1 at the best prices! Download these amazing diy emergency battery bank. Charge/health (soc/soh) algorithm that was developed and proven for three different lithium. I managed to finish the assembly of the balancing cards today and i installed them seamlessly on the battery modules. This course discusses various techniques used in the industry for cooling an electric. A sub to discuss lithium ion cells and batteries. Diy bms lithium ion battery bank for solar panel installations. This is done by a battery management system/board. They are sensitive to over discharging, over lithium ion or polymer cells need to be protected from under or over discharging, which can be really bad. Though, for faster response, try /r/batteries.
Sime Darby Plantation Selangor : With operations in countries throughout asia, australasia and europe, its core business activities include oil palm and rubber plantations in indonesia and malaysia the naics codes for sime darby plantation sdn bhd are 3112, 31. . You can find more details by going to one of the sections under this page such as historical data, charts, technical analysis and others. The modern sime darby berhad corporation was created in 2007 through a merger of three. 4197) is a malaysian trading conglomerate. Disclaimer | sime darby plantation, ara damansara is only the venue provider for the vaccination program and is not involved in coordinating the vaccination appointments. Sime darby started in rubber and stretched out from there. Sime darby berhad menjalankan pelbagai perniagaan seperti industri perladangan, hartanah, industri, automotif, tenaga dan prasarana serta hospitaliti dan beroperasi di 18 negara dan wilayah di seluruh asia pasifik. Sim...
Rizman Ruzaini Wedding Dress Price - Here, i have some tips on how to choose your wedding dress designer. . The wedding dresses are exclusively made for fashionvalet by renowned fashion designers in malaysia which includes mimpikita, pu3, rizman ruzaini, fizi woo, khoon hooi, s. Some of the pieces from his 2008 bridal collection. Share on facebook share on twitter. As low as a$5.13 regular price a$7.33. The impressive list includes fizi woo, khoon hooi, nh by nurita harith, mimpikita, pu3, rizman ruzaini, s. Rizman nordin, a penang born and wan ruzaini born and raised in perak are becoming extremely popular in the malaysian fashion scene.immense names in the entertainment and fashion industry such as the diva; The impressive list includes mimpikita, pu3, rizman ruzaini, fizi woo, khoon hooi, s. One will be delighted to know that the wedding dresses are exclusively made for fashionvalet by renowned fashion designers in malaysia. Baharim, syomirizwa gupta and nh by nur...
Couchtisch Klein - Couchtisch Moni klein, weiß von Dänisches Bettenlager ansehen! : Couchtisch klein glas glas italia couchtisch fountain klein casa fortunata, wohnzimmertisch aus glas möbel ideen ideen top, wohnling satztisch viola schwarz gold beistelltisch, hasse glas design. . Couchtische klein deko ideen für deinen couchtisch, couchtisch vista klein 50x40x50cm cm eiche metall, ausgefallene couchtische aus holz com forafrica, couchtisch glas rund schwenkbar. Couchtisch azalea mulitfunktionaler couchtisch mit hebeplatte und viel stauraum. Couchtisch klein rund 23 elegant couchtisch klein rund inspirierend couchtisch mahesh 60x36x60 cm online kaufen die besten couchtisch eiche schublade 2019 20 stühle aus metall. Couchtisch im landhausstil klein überzeugt mit bester qualität und 100% massivholz >> zudem verleiht der couchtisch gemütlichem charme im. Beste couchtisch klein von couchtisch duett pinie klein glas schubl karamell voglrieder. Couchtisch mit kleinen...
Komentar
Posting Komentar